計画しておりましたOTLアンプは醍醐LPコンサートには間に合いませんでした。因って旧作の上記タイトルのアンプを出品します。
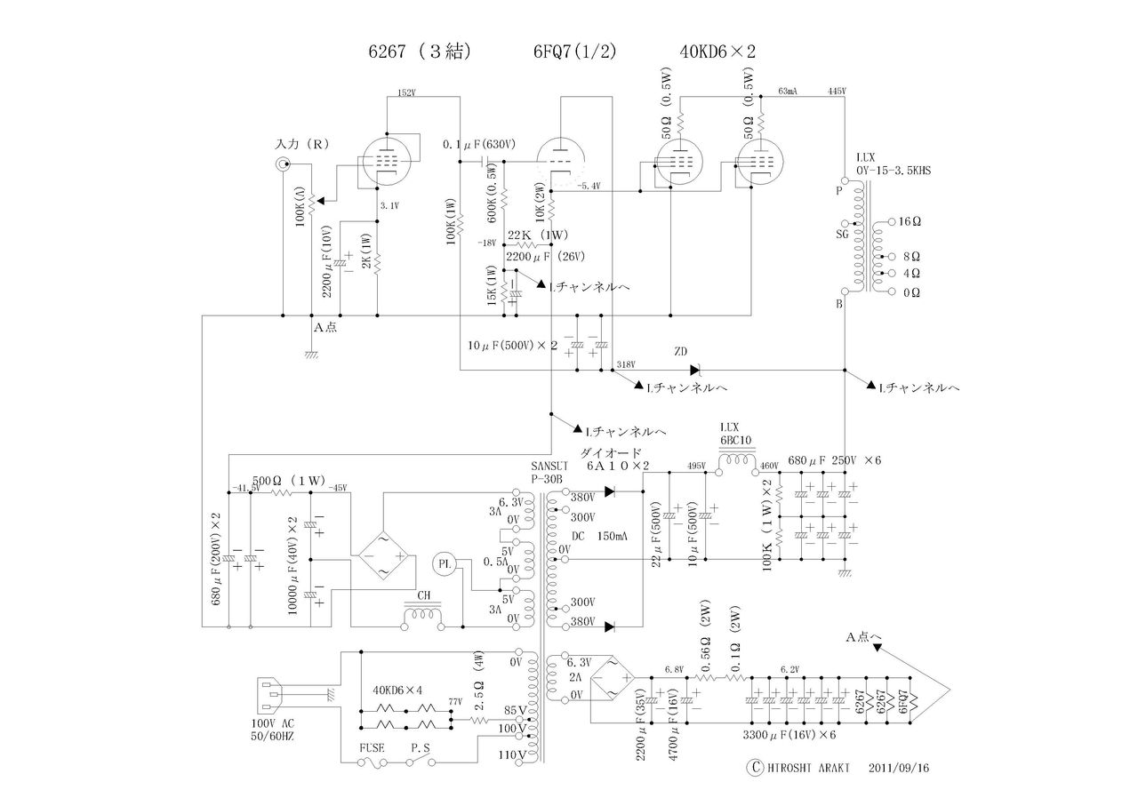
使用OPTはLUX OY15-3.5KHSの未使用品がありましたので使いました。
配線図は上記の通りです。G2(スクリーン・グリッド)をコントロール・グリッドに見立てG1およびG3はカソードに接続した純然たる三極管接続になります。この接続方式では通常のPPアンプと同様の回路方式で簡単に
このアンプについては当方にとっては非常に意義深いアンプでした。
①G2ドライブ(多極管接続でない純粋な3結アンプ、当方はSGドライブと称しております)による最初のアンプ
②レイアウト設計・プリント基板設計に初めてCADを使用したアンプ
配線の仕上がりは今一ですが外観はまあまあではないかと思います。

PPアンプに出来ます。30KD6パラPPで約35Wの出力が期待できます。
手持ちの水平出力管が転がっていればお試しあれ。尚、25E5は当方のテストでは旨く行きませんでした。
6GB3A,6GB6,6GB7,6DQ6B等は問題なく使用できます。6L6GC、6CA7はもちろん駄目でした。
上記動作条件では40KD6の内部抵抗はおおよそ10~15KΩ辺りに有りますのでパラ接続としさらにOPTの4Ω端子にSP(8Ω)を接続してマッチングを計っています。NFBは無しです。
出力は負荷抵抗により変動しますが10~15W弱が期待できます。
つづく

コメント