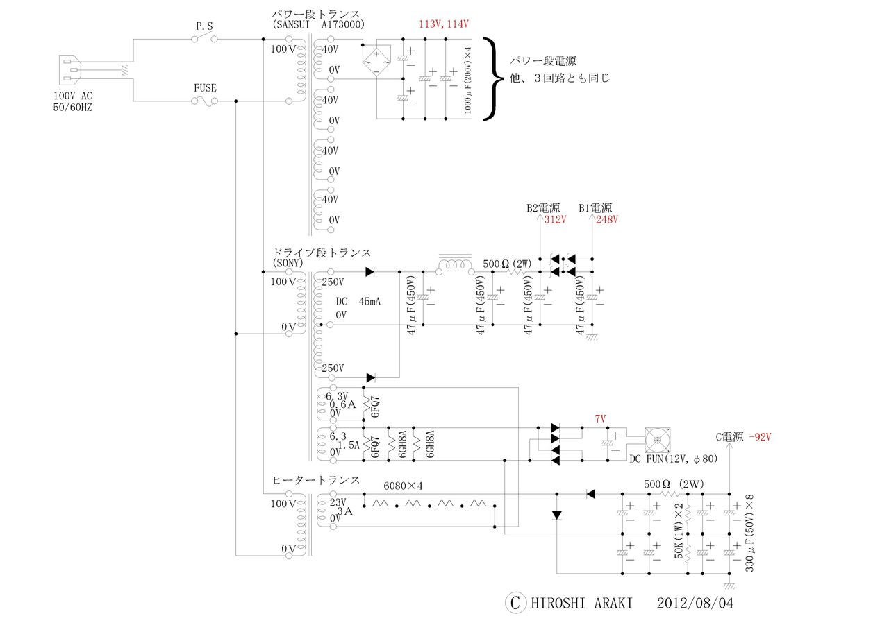
電源回路の図面が出来ました。

ごく普通の回路です。トランスについて若干触れておきます。①パワー段トランスは本体に付属している物です。②ドラバー段は適当な仕様のものがオークションに出ていましたのでゲット。SONYの真空管式テレコに使われていたようです。代替品としては5球スパー用のトランスが使えますがB電圧が少々低いので少々工夫が必要になります。③ヒータートランスは25Vは欲しい所です。スロットマシン用のトランスが使えます。電流は最低でも2.5Aは必要。また、24VのSW電源も使えそうです。ただその際は、C電源用のトランスが必要になります。
チョークコイルは小電流のものでOKです。ただスペース的にはチョークコイルを無くしたいところなので近々FETリップルフィルターを試験する予定です。
後は特性値のまとめです。10月頭にはアップします。
つづく






